1、 Overview of 2SK series water ring vacuum pump products:
The 2SK series water ring vacuum pump and the 2sk-p1 series two-stage water ring vacuum pump atmospheric jet pump unit are used to extract air and other gases which are non corrosive, insoluble in water and do not contain solid particles, so as to obtain higher vacuum in closed containers. It is widely used in food, weaving chemical industry, medicine and metallurgy industry and electronic field of vacuum evaporation, vacuum concentration, vacuum moisture regain, vacuum impregnation, vacuum drying and vacuum smelting. It has the characteristics of high vacuum degree, high pumping speed in high vacuum area, compact structure, reliable operation and convenient maintenance.
2SK series is suitable for working conditions with suction pressure lower than -0.08mpa. 2sk-p1 series is suitable for working conditions with suction pressure lower than - 0.096mpa. When equipped with atmospheric pump, the limit vacuum degree can reach - 750mmhg. The working vacuum range is -0.03-0.08mpa.
2、 Working principle of 2SK series water ring vacuum pump:
2SK series water ring vacuum pump is a double-stage single acting water ring vacuum pump. It uses the structure of pump shell and impeller installed in different concentricity, It forms a water ring which is eccentric with the impeller and is filled with water between the blades. With the rotation of the impeller, the periodic reciprocating motion is made between the blades. The volume in the middle of the blade is changed, and the corresponding coordination of the fixed suction port and exhaust port is used to complete the suction, compression and exhaust functions. The double-stage function is that the gas discharged from the first stage exhaust port is inhaled by the second stage suction port, The second stage is used to reduce the exhaust pressure of the first stage, so as to improve the limit vacuum degree of the first stage suction
The two-stage water ring vacuum system of this model is made into two-stage pump with coaxial phase in series. The air passage between the two stages is made up of a middle basin and a connecting pipe, so the structure is relatively compact. The rotary part is composed of a shaft and two-stage impeller, and the fixed part is composed of inlet and outlet frame, two pump rings, valve plate and bearing bracket. The transmission of the motor and pump parts is connected with a shaft chatting device. The pump and motor are installed on a common base.
3、 The main features of 2SK series water ring vacuum pump are as follows:
The 2SK series water ring vacuum pump and the 2sk-p1 series two-stage water ring vacuum pump atmospheric jet pump unit are used to extract air and other non corrosive, water-insoluble, and solid particles free gases in order to obtain higher vacuum in closed containers. It is widely used in food, weaving chemical industry, medicine and metallurgy industry and electronic field of vacuum evaporation, vacuum concentration, vacuum moisture regain, vacuum impregnation, vacuum drying and vacuum smelting. It has the characteristics of high vacuum degree, high pumping speed in high vacuum area, compact structure, reliable operation and convenient maintenance.
2SK series water ring vacuum pump is suitable for working conditions with suction pressure lower than -0.08mpa. 2sk-p1 series two-stage water ring vacuum pump is suitable for working conditions with suction pressure lower than - 0.096mpa. When equipped with atmospheric pump, the limit vacuum degree can reach - 750mmhg. The working vacuum range is -0.03-0.08mpa.
2SK two-stage water ring vacuum pump has the characteristics of high vacuum degree and high pumping speed in high vacuum area. It has compact structure and convenient maintenance. It can be used to remove various gases such as water vapor, inflammable, explosive, dust and liquid. It mainly uses water as working medium and has low maintenance cost. It can work in harsh environment.
The 2SK two-stage water ring vacuum pump has the characteristics of high vacuum degree and high pumping speed in high vacuum area. It has compact structure and convenient maintenance. It has wide application range, and can be used to remove water vapor, flammable, explosive, dust containing and liquid containing gases. It mainly uses water as working medium and has low maintenance cost. It can work in harsh environment.
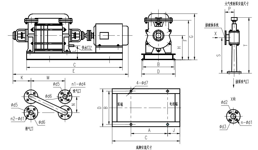
Model meaning


It is widely used in food, textile, chemical, pharmaceutical, metallurgical and electronic fields of vacuum evaporation, vacuum concentration, vacuum moisture regain, vacuum impregnation, vacuum drying and vacuum smelting. It has the characteristics of high vacuum degree, high pumping speed in high vacuum area, compact structure, reliable operation and convenient maintenance.










